长虹作为大品牌,其电视电源板通常由专业的电源模块供应商(如冠捷、光宝、航嘉等)代工生产,不同批次、不同生产日期的电视,其电源板型号可能不同,但核心设计方案和电路原理是相通的。

(图片来源网络,侵删)
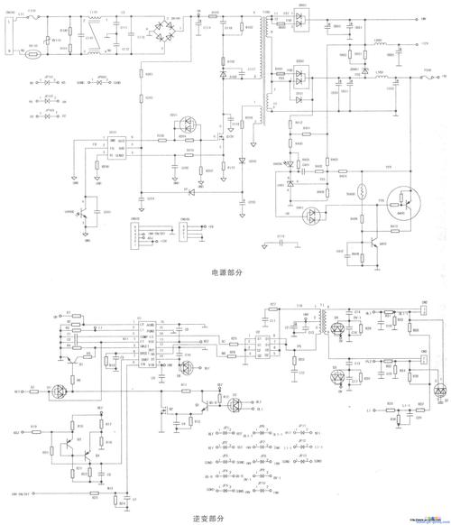
针对长虹LED32538,最常见的电源板型号是 RSAG7.820.2012,这份图纸是该型号电源板的官方原理图,是维修工作的核心依据。
核心图纸信息 (RSAG7.820.2012)
这张图纸详细标注了电源板上所有元器件的位号、参数以及它们之间的连接关系,是判断故障点、更换元器件的直接依据。
图纸基本信息
- 适用机型: 长虹 LED32538 等多款长虹LED电视
- 电源板型号: RSAG7.820.2012 (请务必确认您电视上的电源板标签型号与此一致)
- 原理图
- 图纸格式: PDF (电子版)
图纸主要功能模块
这张电源板集成了PFC(功率因数校正)电路和PWM(脉宽调制)开关电源电路,主要负责产生电视机所需的各种直流电压。
-
AC输入及抗干扰电路: (CN801/CN802)
(图片来源网络,侵删)- 功能: 滤除电网干扰,防止自身干扰电网。
- 关键元件: 压敏电阻 (RT801)、保险丝 (F801)、共模电感 (LF801/802)、X/Y电容。
- 常见故障: 雷击或电网电压过高导致保险丝熔断、压敏电阻击穿。
-
PFC电路: (IC801, T801等)
- 功能: 将不稳定的交流整流后电压,提升并稳定在约380V DC,提高功率因数,减少对电网的污染。
- 关键元件: PFC控制芯片 (如TEA1762/1763)、PFC开关管 (Q801)、PFC电感 (T801)、PFC输出整流二极管 (D801)。
- 常见故障: PFC芯片或开关管击穿,导致无380V电压输出,整机“三无”(无光、无图、无声音)。
-
主电源+12V/24V输出电路: (IC802, T802等)
- 功能: 核心开关电源,将PFC输出的380V电压转换为电视机主板和背光板所需的主要电压,通常是 +24V 和 +12V。
- 关键元件: PWM主控芯片 (如NCP1397/NCP1399)、主开关管 (Q802)、主变压器 (T802)、次级整流二极管和滤波电容。
- 常见故障: 主电源芯片或开关管击穿,导致无+24V或+12V输出,整机“三无”或指示灯亮但黑屏。
-
待机电源+5V_STB电路: (IC803, T803等)
- 功能: 在电视待机时工作,为CPU和遥控接收电路提供稳定的+5V电压,实现待机功能。
- 关键元件: 待机控制芯片 (如TNY278PN)、待机变压器 (T803)、光耦 (PC801)。
- 常见故障: 待机芯片损坏,导致无法开机或待机指示灯不亮。
-
保护电路:
(图片来源网络,侵删)包括过压、过流、过热保护等,分布在PFC和主电源电路中,当检测到异常时会关闭PWM输出,以保护后级电路。
如何获取图纸和维修资料
由于版权原因,厂家通常不公开完整图纸,但通过以下途径可以找到:
网络搜索 (最常用)
您可以使用以下关键词组合进行搜索,成功率较高:
- 核心关键词:
长虹 LED32538 电源板原理图 - 精准关键词:
RSAG7.820.2012 原理图 - 扩展关键词:
长虹 LED32538 电源板 维修图/长虹 LED32538 电源板 PCB图
推荐搜索平台:
- 百度图片: 可以直接找到扫描版的原理图。
- 维修论坛: 如“家电维修论坛”、“迅维网”等,里面有很多维修师傅分享的资料和帖子。
- 专业维修网站: 一些提供付费维修资料的网站,但通常免费资源也足够使用。
维修手册/图纸网站
一些专门提供家电维修资料的网站,如“维修吧”、“图纸无忧”等,可能会收录此型号的图纸。
视频教程 (Bilibili / 抖音)
在Bilibili、抖音等视频平台搜索 长虹 LED32538 电源板维修 或 RSAG7.820.2012 维修,不仅能找到原理图,还能看到其他维修人员的实际维修过程和故障分析,非常有参考价值。
电源板常见故障及排查思路
拿到图纸后,就可以根据故障现象进行针对性排查了。
故障现象一:整机“三无”,指示灯不亮
- 原因分析: 通常是待机电源或AC输入部分出问题。
- 排查步骤:
- 查保险丝 (F801): 拔掉电源板,用万用表电阻档测量F801是否通,如果烧断,说明后级有严重短路。
- 查AC输入元件: 检查压敏电阻 (RT801)、共模电感、X/Y电容是否击穿短路。
- 查待机电源: 测量待机电源输出端 (通常是CN803的①脚或标有+5V_STB的焊点) 是否有+5V电压。
- 若无+5V: 重点检查待机芯片 (IC803)、启动电阻、以及其供电线路。
- 若有+5V: 说明待机电路正常,问题可能在主电源或PFC电路,导致主电压无输出。
故障现象二:整机“三无”,指示灯亮
- 原因分析: 指示灯亮说明待机+5V正常,问题出在主电源或PFC电路,导致主板和背光板得不到工作电压。
- 排查步骤:
- 测量PFC输出电压: 测量PFC电感T801输出端或大滤波电容C813两端电压,正常工作时应在 370V-400V 之间波动。
- 无380V电压: 重点检查PFC电路,测量PFC芯片 (IC801) 供电、VCC电压、驱动信号输出,PFC开关管 (Q801) 击穿是常见故障。
- 测量主电源输出电压: 如果PFC电压正常,再测量主电源输出端 (CN803的②脚+24V, ③脚+12V等) 是否有电压。
- 无主电压输出: 重点检查主电源电路,测量主电源芯片 (IC802) 供电、VCC电压、驱动信号输出,主开关管 (Q802) 击穿也是常见故障。
- 测量PFC输出电压: 测量PFC电感T801输出端或大滤波电容C813两端电压,正常工作时应在 370V-400V 之间波动。
故障现象三:有图像,但屏幕闪烁、亮度异常或“拉丝”
- 原因分析: 通常是PFC电路工作不正常,导致主电源供电不稳定。
- 排查步骤:
- 测量PFC输出电压是否稳定在380V左右,如果电压偏低或波动剧烈,说明PFC电路工作异常。
- 检查PFC电路的供电、反馈回路、以及PFC电感T801是否性能不良。
重要维修提示
- 安全第一: 电源板部分存在高压,即使在断电后,大容量的滤波电容中仍储存有大量电荷,维修前务必对 C813 (PFC滤波电容) 和 C823 (主电源滤波电容) 进行放电操作,避免电击危险。
- 先测保险丝: 保险丝烧断是严重故障的信号,切勿直接更换新保险丝就开机,必须先找到并排除短路元件(如开关管、整流桥、大功率电阻等)。
- 对比测量: 在有条件的情况下,找一块同型号好的电源板进行关键点电压对比,能快速定位故障。
- 虚焊问题: 电源板工作电流大,发热严重,容易出现焊点虚焊,对于不开机或间歇性故障,可以重点检查大功率元件(如开关管、变压器引脚)的焊点。
希望以上信息能帮助您顺利找到图纸并完成维修工作!祝您维修成功!
