核心原理:为什么电压会增高?
开关电源的核心是一个反馈控制回路,这个回路通过采样输出电压,与一个基准电压进行比较,然后根据差值调整开关管(如MOSFET)的导通时间或频率,从而稳定输出电压。

(图片来源网络,侵删)
当12V电压增高时,最根本的原因是:这个反馈控制回路失效了,电源“以为”输出电压还很低,于是持续地让开关管长时间导通,导致电压不断升高,直到超过安全值。
故障原因分析(从易到难,从外到内)
我们可以将故障部件分为几个大类:
负载端问题(最常见的原因之一)
开关电源的输出电压通常是在带负载的情况下设计的,如果负载端(即加湿器主板)出现故障,导致电流变得极小或完全开路,开关电源的负载变得非常轻,可能会导致电压升高。
-
故障点:
(图片来源网络,侵删)- 加湿器主板的保险丝熔断。
- 主板上12V输入端的后级电路(如整流二极管、滤波电容、稳压芯片等)发生严重短路,导致电源进入“轻载”或“空载”状态。
- 雾化片及其驱动电路断路。
-
判断方法:
- 断开负载测试: 这是最关键的诊断步骤,将开关电源的12V输出线从加湿器主板上断开,不要接任何负载,然后通电测量输出电压。
- 如果电压恢复正常(比如12V):说明问题100%出在负载端(加湿器主板),你需要去修理主板。
- 如果电压依然很高(比如15V、18V甚至更高):说明问题出在开关电源本身,请继续往下看。
- 断开负载测试: 这是最关键的诊断步骤,将开关电源的12V输出线从加湿器主板上断开,不要接任何负载,然后通电测量输出电压。
开关电源本身的问题
如果断开负载后电压仍然很高,那么故障就出在电源板内部了,主要集中在以下几个部分:
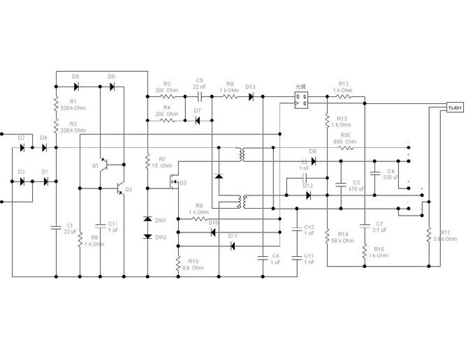
A. 反馈回路(核心中的核心)
这是导致电压升高的首要怀疑对象。
- 故障点1:光耦(Optocoupler,简称PC817等)
- 作用: 隔离高压侧和低压侧,将输出电压的误差信号传递给PWM控制器。
- 损坏形式: 内部发光管或光敏接收管老化、短路或开路,如果光耦失效,无法将正确的信号传回,控制逻辑会混乱,导致电压失控。
- 故障点2:精密稳压源(如TL431, TL432)
- 作用: 采样输出电压,并与内部2.5V基准电压比较,产生误差电压,它是反馈回路的“大脑”。
- 损坏形式: 击穿短路、性能不良,如果TL431击穿,相当于直接给光耦的发光管施加了强电压,使其始终导通,控制器会认为电压过低,从而让开关管持续最大导通,导致输出电压飙升。
- 故障点3:反馈电阻(分压电阻)
- 作用: 将12V电压按比例分压,送给TL431进行采样。
- 损坏形式: 阻值变大或开路,如果分压电阻的阻值变大,送到TL431的采样电压就会变低,TL431会误判输出电压过低,从而控制开关管增加导通时间,使输出电压升高到危险值。
B. PWM控制器(脉宽调制器)
- 作用: 接收反馈回路的信号,产生驱动开关管的脉冲信号。
- 故障点:
- 型号常见: UC384x系列(如UC3842, UC3843, UC3844, UC3845)、OB22xx系列等。
- 损坏形式: 内部电路损坏,导致其输出的脉冲信号失控(如占空比无法减小),这是比较严重的故障,通常需要更换整个芯片。
C. 输出端滤波电路
- 作用: 平滑整流后的脉动直流电,得到稳定的12V电压。
- 故障点:
- 输出滤波电容:失效、容量减小或ESR(等效串联电阻)增大,虽然这通常会导致电压纹波变大、带载能力下降,但在某些特定故障模式下,也可能间接影响反馈回路的稳定性,导致电压异常。
D. 其他辅助元件
- VCC供电电路: 为PWM控制器提供启动和工作电压的电路(通常是一个小的辅助绕组或阻容降压电路)如果异常,可能导致控制器工作不正常。
- 尖峰吸收电路(RCD缓冲电路): 保护开关管不被变压器产生的尖峰电压击穿,如果此电路失效,可能导致开关管损坏,进而引发连锁反应。
故障排查与维修步骤(请务必在断电后操作!)
安全警告:开关电源内部存在高压,即使断电后,大电容中仍可能储存有致命电荷,操作前务必对高压滤波电容进行放电!

(图片来源网络,侵删)
第一步:初步判断(负载测试)
- 断开电源,将加湿器完全拆开,找到开关电源板和主板的连接器。
- 断开负载:将开关电源的12V输出线从主板上拔下。
- 准备假负载:为了安全测试,最好接一个假负载,比如一个汽车灯泡(如21W/12V)或一个功率合适的电阻(如10Ω/5W)。这一步可以防止在空载状态下某些电源电压失控过高,但即使不接,短时间测量问题也不大。
- 通电测量:重新给开关电源通电,用万用表的直流电压档测量输出端电压。
- 电压正常(~12V):恭喜,问题在主板,去检查主板的保险丝、雾化片、整流桥等。
- 电压仍然很高(如>13V):确定问题在电源板,进入下一步。
第二步:断电静态检查(在路测电阻)
- 再次断开电源,并等待几分钟,确保电容放电完毕。
- 目视检查:仔细观察电源板上的元件,看是否有明显的烧黑、鼓包、裂痕的元件,特别是电容、电阻、IC芯片。
- 测量关键电阻:
- 保险丝:是否熔断,如果熔断,说明有严重短路。
- 输出端的整流二极管:用万用表二极管档测量是否击穿短路。
- 反馈回路的分压电阻:通常在TL431的“REF”和“阴极”引脚附近,测量其阻值是否与标称值严重不符。
- TL431:测量其三个引脚之间有无短路现象。
- 光耦:测量其1、2脚(发光管侧)和3、4脚(光敏管侧)有无短路。
第三步:通电动态测量(高风险操作,需谨慎)
如果静态检查没发现明显问题,就需要通电测量关键点的电压了。此操作务必小心,避免触电!
- 准备工具:一个隔离变压器(强烈推荐,可以隔离火线,大大降低触电风险)或确保身体良好绝缘,单手操作测量。
- 测量PWM控制器关键引脚电压:找到PWM控制器芯片(如UC384x)。
- VCC脚(供电脚):正常应该在10-17V之间跳动,如果无电压或电压过低,说明VCC供电电路有问题。
- OUT脚(输出脚):应有脉冲波形输出,用万用表直流档测量,应有1-2V左右的电压,如果电压异常高或为0,说明芯片可能已损坏。
- FB/COMP脚(反馈/补偿脚):电压通常在2.5V左右,如果此脚电压异常,说明反馈回路工作不正常。
- 测量TL431引脚电压:
- Ref(参考)脚:电压应为5V,这是判断TL431是否工作的基准。
- Anode(阳极):接地,应为0V。
- Cathode(阴极):电压会受光耦控制,通常在2-10V之间变化,如果此脚电压异常低(接近0V)或异常高(接近VCC),说明TL431或光耦可能损坏。
第四步:替换法(最高效的维修方法)
通过以上测量,如果怀疑某个元件损坏,但又不完全确定,可以直接采用替换法。
- 替换分压电阻:如果阻值不准,用同阻值同功率的新电阻替换。
- 替换光耦和TL431:这两个是反馈回路的易损件,且价格便宜,可以一起更换,更换时注意型号和管脚。
- 替换PWM控制器:如果确认是其输出异常,直接更换同型号的芯片。
- 替换输出滤波电容:如果怀疑电容失效,更换一个同规格、耐压值更高的(如耐压25V)电容。
总结与建议
- 先测负载:这是判断问题根源的第一步,能帮你少走很多弯路。
- 反馈回路是重点:超过80%的此类故障都出在光耦、TL431和它们的周边电路上。
- 安全第一:开关电源维修有风险,没有经验最好请专业人士处理,如果加湿器价格不高,直接更换一个新的可能更划算和安全。
- 考虑更换整个电源板:如果电源板设计紧凑,元件密集,或者你对自己的焊接技术没信心,最简单的办法是找到同型号的电源板进行整体更换,很多加湿器的电源板都是通用或模块化的,很容易在网上找到替代品。
