
(图片来源网络,侵删)
- 安全第一: 电源模块内部存在高压,即使断电后,大电容中仍可能储存有致命的电荷,在操作前,必须完全放电,并严格遵守安全用电规范,如果您不熟悉电子电路维修,强烈建议寻求专业维修人员或直接更换新模块。
- 风险自负: 以下内容为技术指导和经验分享,不保证100%成功,维修过程可能损坏模块甚至导致人身伤害,请自行承担风险。
第一步:故障诊断与初步检查
在开始拆解和测量之前,先进行初步判断,可以节省大量时间。
-
观察现象:
- 无输出: 上电后,模块指示灯不亮,用万用表测量输出端电压为0。
- 输出电压低/高: 输出电压偏离标称值(例如24V电源,输出可能只有10V或30V)。
- 输出电压不稳定/波动: 电压在正常值和异常值之间跳动。
- 模块发烫: 上电后模块外壳异常烫手,甚至有焦糊味。
- 输入保险丝熔断: 检查模块输入端的保险丝是否已熔断。
-
外部检查:
- 输入电压: 确认输入的AC或DC电压是否在模块规格允许的范围内,电压过低或不稳定可能导致模块无法启动或输出异常。
- 接线: 检查输入、输出端的接线是否牢固、正确,有无短路或接触不良。
- 负载: 将模块与负载断开,接上一个假负载(例如一个功率合适的灯泡或大功率电阻),如果接假负载后电压恢复正常,则问题很可能出在后端负载上,而不是电源模块本身,这是非常重要的一步!
第二步:准备工作与安全措施
-
工具准备:
(图片来源网络,侵删)- 万用表(数字式,具备二极管档、电容档、电压/电流档)
- 示波器(强烈推荐,用于观察开关波形)
- 电烙铁、吸锡器、焊锡丝
- 螺丝刀、镊子、放大镜
- 隔离变压器(非常重要!将待修设备与市电电网隔离,防止触电和损坏测量仪器)
- 绝缘手套、护目镜
-
安全操作:
- 断电: 将模块从设备上完全取下。
- 放电: 使用万用表的电压档或一个带限流电阻的螺丝笔,小心地模块输入端滤波电容(通常是体积最大的那个电解电容)的两个引脚短路,释放掉残留电荷。操作时务必注意安全!
- 隔离: 将模块通过隔离变压器接入市电进行上电测试,确保您使用的示波器、万用表等设备也与市电隔离。
第三步:拆解与核心电路分析
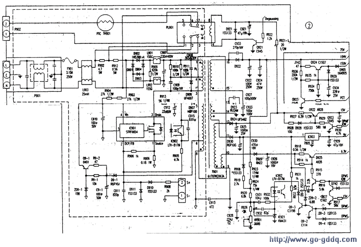
sTRF6456 通常是一个AC-DC开关电源模块,其内部电路结构大致可以分为几个部分:
- 输入滤波电路: 包括保险丝、压敏电阻、共模电感、X电容、Y电容。
- 整流滤波电路: 桥式整流堆(或全波整流)和大容量电解电容,将AC电压转为高压DC。
- PWM控制与驱动电路: 这是核心部分,通常以一个PWM控制器(如UC384x系列、OB22xx系列等)或集成了MOSFET的芯片(如VIPer系列)为核心,负责产生高频开关信号。
- 开关功率电路: 由一个或多个开关管(通常是MOSFET)和高频变压器组成,实现能量转换。
- 输出整流滤波电路: 由快恢复二极管或肖特基二极管、LC滤波电路组成,将高频方波电压转换为平滑的直流电压。
- 反馈电路: 通常使用光耦(如PC817)和精密稳压源(如TL431)将输出电压采样信号反馈给PWM控制器,实现稳压。
第四步:分级排查与维修
这是维修的核心过程,建议从后往前逐级排查。
阶段A:输入级检查(无输出或保险丝熔断)
-
测量输入端电阻:
(图片来源网络,侵删)- 用万用表二极管档或电阻档测量模块输入端两个焊盘之间的电阻。
- 正常情况: 应该有一个正向导通压降(约0.5V,是整流桥中二极管的压降),反向无穷大,拔下保险丝后测量,输入端电阻应较大(几百千欧以上)。
- 故障现象:
- 电阻为0或很小: 输入端存在严重短路,常见故障点:
- 整流桥击穿短路。
- 输入滤波电容击穿短路。
- 后级开关管(MOSFET)的D-S极击穿短路(这是导致保险丝熔断的最常见原因之一)。
- 电阻正常,但保险丝熔断: 故障点通常在整流桥之后,最可能是开关管(MOSFET)被击穿。
- 电阻为0或很小: 输入端存在严重短路,常见故障点:
-
更换损坏元件:
- 如果发现整流桥或滤波电容损坏,直接更换同型号规格的元件。
- 如果发现开关管(MOSFET)击穿: 这是最棘手的情况,MOSFET击穿往往是“果”而不是“因”,直接更换新的MOSFET后,如果导致它损坏的根本原因没有排除,通电后会再次立即击穿!
- 必须检查导致MOSFET损坏的原因:
- 驱动电路问题: 检查PWM控制器输出的驱动信号是否正常(用示波器观察波形),驱动信号异常(如高电平时间过长、电压过高)会导致MOSFET因过热而烧毁。
- 启动电阻问题: 启动电阻变值或开路,会导致PWM控制器工作异常,驱动信号紊乱。
- 反馈回路开路: 反馈回路(光耦、TL431等)开路,会导致PWM控制器认为输出电压过低,从而拼命加大占空比,最终导致MOSFET因过压或过流而损坏。
- 尖峰吸收电路(RCD缓冲电路)失效: 吸收电路中的电容或电阻失效,会导致MOSFET在关断瞬间承受极高的尖峰电压而击穿。
阶段B:功率变换与输出级检查(输出电压低或不稳定)
-
检查PWM控制器是否工作:
- 找到PWM控制器芯片(如UC3844)。
- 测量其VCC(供电引脚)电压,上电瞬间,VCC应该有一个建立过程(通过启动电阻从高压端取电),达到芯片工作阈值(如16V)后,芯片开始工作,如果VCC电压很低或没有,检查启动电阻、VCC供电相关的滤波电容以及芯片本身是否损坏。
- 如果VCC正常,测量其输出引脚(Output,通常是6或11脚),应有高频的PWM方波输出(频率约几十kHz),如果没有输出,则芯片或其外围电路损坏。
-
检查开关变压器次级(输出侧):
- 用示波器探针小心地测量次级整流二极管(通常是肖特基二极管)的负极。
- 应该能看到清晰的高频方波脉冲,如果此处没有波形,说明能量没有从前级传递过来,问题可能在前级驱动或变压器本身。
- 如果此处有波形但电压很低,说明整流二极管或滤波电容有问题。
- 测量整流二极管: 用万用表二极管档测量其正向压降(约0.3-0.5V为肖特基二极管正常)和反向电阻(应无穷大),如果正向压降过大或反向电阻小,说明二极管损坏。
- 测量输出滤波电容: 检查电容是否鼓包、漏液,用万用表电容档或LCR电桥测量其容量是否严重下降,输出电容失效是导致输出电压纹波增大、不稳定甚至电压低的常见原因。
阶段C:反馈电路检查
如果输出电压偏高且不可调,或者模块工作在“打嗝”状态,通常是反馈电路出了问题。
-
检查光耦:
- 光耦内部由一个发光二极管和一个光敏三极管组成。
- 用万用表二极管档测量光耦的1、2脚(发光管侧),应有一定的正向压降。
- 测量光耦的3、4脚(光敏三极管侧),在1、2脚不通电时,3、4脚间的电阻应为无穷大,当1、2脚通过一个电阻(如几百欧)接到VCC时,3、4脚间应有明显的电阻变化(从无穷大到几十到几百欧)。
-
检查精密稳压源(如TL431):
- TL431是一个可编程的稳压器件,常用于电源反馈。
- 其正常工作时,在Ref(参考)和Anode(阳极)之间加一个2.5V的基准电压。
- 可以通过测量其各引脚电压来判断是否工作正常,如果TL431损坏,会导致反馈信号错误,从而引起输出电压异常。
第五步:测试与验证
在完成所有可疑元件的更换后,不要急于装回设备。
- 空载测试: 将修复好的模块接上隔离变压器,先不接任何负载,上电测量输出电压,此时电压可能略高于标称值(这是正常的,因为空载时反馈环路为了维持电压,会稍微提升输出)。
- 带假负载测试: 接上合适的假负载(对于24V/5A的电源,可以用一个10Ω/50W的电阻),测量输出电压是否稳定在标称值,用手触摸模块主要芯片和元件,检查有无异常发热,持续运行15-30分钟,确保工作稳定。
- 纹波测试: 用示波器的AC耦合档测量输出电压的纹波大小,对于24V电源,纹波通常要求在100mVpp以下,具体参考模块规格书。
sTRF6456常见故障点排序
根据维修经验,故障概率从高到低大致如下:
- 输出滤波电容失效:导致电压不稳、纹波大、负载能力差。
- 输出整流二极管损坏:导致无输出或输出电压低。
- 开关管(MOSFET)击穿:导致保险丝熔断,通常伴随驱动或反馈电路问题。
- PWM控制器芯片损坏:导致无驱动信号,无输出。
- 启动电阻变值/开路:导致VCC无法建立,模块无法启动。
- 光耦或TL431损坏:导致反馈环路失效,输出电压异常。
- 输入整流桥或滤波电容损坏:相对少见,通常由电网浪涌引起。
维修是一个系统性的排故过程,耐心和细致是成功的关键,祝您维修顺利!
