故障现象分析
我们需要明确什么是“枕形失真”。

(图片来源网络,侵删)
正常图像:图像的四边应该是平直的,呈完美的矩形。
枕形失真:图像的左右两边会向内凹陷,形成一个类似枕头或沙发的形状,根据失真的位置,可以分为:
- 水平枕形失真:图像左右两边向内凹。
- 垂直枕形失真:图像上下两边向内凹。
- 四角枕形失真:图像四个角向内凹。
在创维29T92HT这类电视中,水平枕形失真最为常见,通常由专门的“枕形校正电路”故障引起。
故障根源探究
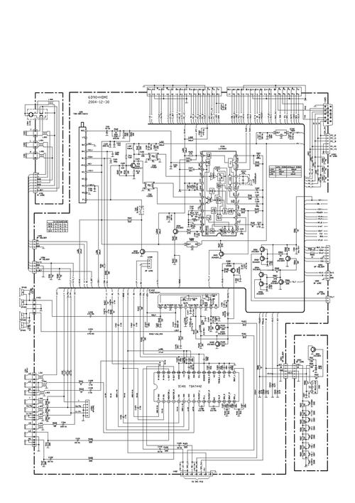
枕形校正电路的作用,就是为了让电子束在扫描到屏幕边缘时,产生一个反向的偏转力,从而抵消显像管固有的枕形失真,这个电路主要由以下几个部分组成:

(图片来源网络,侵删)
- 枕形校正变压器(枕校变压器,简称TDA):这是核心元件,它通过一个特殊的绕组,将场频(50Hz)的锯齿波电流,调制成一个抛物波电流,用来调制行扫描电流的幅度,从而实现水平方向的校正。
- 枕形校正集成电路(IC):通常是专用的枕校处理芯片,负责产生或处理枕形校正所需的抛物波信号。
- 枕形校正相关三极管/场效应管:这些功率管通常工作在高压、大电流状态下,是故障的高发区,它们负责放大枕校信号,以驱动枕校变压器。
- 外围阻容元件:如电阻、电容、二极管等,它们构成积分、滤波、耦合等电路,为枕校信号的形成和传输提供必要条件。
故障高发点排序:
- 枕校变压器(TDA):内部绕组短路、开路或性能不良。
- 枕校驱动管:通常是两个大功率三极管或场效应管,因过热、过流而击穿。
- 相关电阻:特别是与驱动管基极/栅极相连的限流电阻、与发射极/源极相连的取样电阻,容易因过流而烧断或阻值变大。
- 电容:滤波电容、耦合电容失效,导致波形失真。
- 枕校IC:损坏的概率相对较低,但也不能完全排除。
检修准备工作与安全须知
CRT电视机内部存在致命的高压!检修前务必做好安全防护!
- 断电放电:拔下电视电源插头,等待至少10-15分钟,用手背或螺丝刀的金属部分,对显像管高压嘴和行输出变压器(FBT)的高压帽进行多次放电,确保内部电荷完全释放。
- 工具准备:
- 万用表(必备,最好有二极管档和电容档)
- 示波器(强烈推荐,用于观察波形,是快速定位故障的关键)
- 电烙铁、吸锡器、焊锡丝
- 常用螺丝刀、镊子、尖嘴钳
- 绝缘手套、绝缘垫
- 图纸准备:准备好该机型的电路图,特别是“枕形校正电路”部分,没有图纸,检修会非常困难。
检修步骤(以最常见的水平枕形失真为例)
第一步:目视检查
在断电并放电后,打开电视后盖,重点检查枕形校正电路区域。
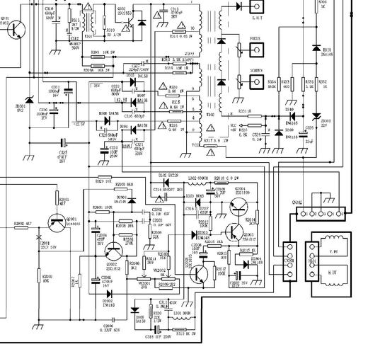
- 观察元件:查看枕校变压器(通常是一个方形或圆形的黑色元件,有多个引脚)、枕校驱动管(通常固定在散热片上)是否有明显的烧黑、炸裂、鼓包或虚焊的痕迹。
- 闻气味:是否有烧焦的元器件气味。
- 测电阻:用万用表电阻档,在路测量枕校驱动管的三个电极之间的电阻,如果发现任意两极之间的电阻非常小(接近0欧),或发射极/源极对地的取样电阻阻值无穷大或变得非常大,那么基本可以确定该管或相关电阻已经损坏。
第二步:测量关键电压
通电前,先对可疑元件进行在路电阻测量,防止短路通电扩大故障,确认无明显短路后,可通电进行电压测量(注意安全!)。

(图片来源网络,侵删)
-
测量枕校驱动管供电电压:
- 找到枕校驱动管(通常是两个对称安装的大功率管,如C5177、D1887等)。
- 测量其集电极/漏极的供电电压,这个电压通常来自行输出变压器的一个绕组,一般在100V左右,如果此电压异常(如为0V或过低),则需要检查供电通路上的保险电阻、电感是否开路。
-
测量枕校驱动管基极/栅极电压:
- 正常工作时,基极/栅极应该有一个动态变化的电压,这个电压由枕校IC提供。
- 如果基极/栅极电压为0V或异常,说明前级的枕校IC或其供电、外围电路有问题。
第三步:波形测量(最关键的一步)
使用示波器,沿着枕形校正信号的流程进行测量,这是定位故障最有效的方法。
-
信号流程:枕校IC → 驱动管基极 → 枕校变压器初级 → 次级 → 行偏转线圈。
-
测量点:
- 枕校IC输出端:测量IC输出的原始抛物波信号是否正常,如果这里没有波形或波形畸变,故障在IC或其供电、外围电路。
- 驱动管基极:测量基极的波形,这里应该是经过放大或倒相后的抛物波,如果波形幅度异常或失真,检查基极的偏置电阻、耦合电容。
- 枕校变压器初级两端:测量初级线圈两端的电压波形,如果波形正常,但次级无输出,则枕校变压器内部开路,如果初级波形幅度远小于正常值,说明驱动能力不足,可能是驱动管性能不良或供电不足。
第四步:元件替换法
对于高故障率的元件,可以直接采用替换法进行验证。
- 替换枕校驱动管:如果发现驱动管损坏,用同型号、同参数的新管子替换,一定要检查与之串联的发射极/源极取样电阻(通常是一个很小的电阻,如0.1Ω、0.22Ω、1Ω),这个电阻也经常一起烧坏。切记,如果只换管子不换电阻,新管子会再次被烧毁!
- 替换枕校变压器:如果怀疑枕校变压器损坏,这是最麻烦的,因为它的引脚多,通常直接焊在电路板上,拆卸和安装需要非常小心,以免损坏焊盘,替换后,故障通常可以排除。
- 替换可疑电容/电阻:对于外观异常或测量值偏离标称值太多的电容和电阻,直接替换。
检修流程总结
一个清晰的检修流程可以帮助你少走弯路:
- 确认现象:是水平枕形失真还是垂直?
- 断电放电:安全第一!
- 目视检查:寻找烧毁、虚焊的元件。
- 在路测阻:初步判断驱动管、取样电阻等是否击穿或开路。
- 通电测压:测量关键点的静态和动态电压,判断供电是否正常。
- 示波器查波形:沿着信号路径,追踪抛物波信号,找到波形消失或畸变的确切位置。
- 波形在A点正常,在B点消失 → 故障在A和B之间的元件。
- 波形从源头就不正常 → 故障在枕校IC或其供电电路。
- 替换可疑件:根据测量和波形分析结果,替换高故障率的元件(驱动管、TDA、电阻等)。
- 调整验证:更换元件后,可能需要微调枕形校正电位器(如果电路中有的话),使图像达到最佳状态。
特殊情况:垂直枕形失真
如果故障是垂直枕形失真(上下两边向内凹),则故障点通常不在上述的水平枕校电路,垂直枕校通常是通过在场输出电路中引入一个水平抛物波调制信号来实现的,应重点检查场输出IC及其外围电路,以及为场输出提供枕形校正信号的耦合电路。
希望这份详细的检修指南能帮助您成功排除创维29T92HT的
