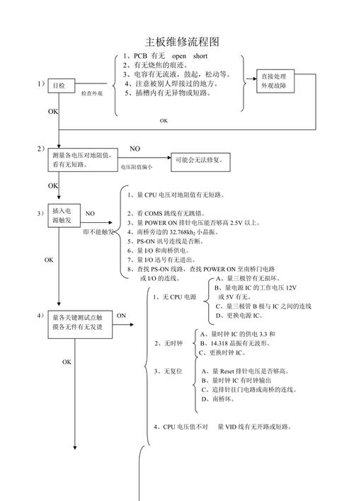
核心思想:由简到繁,先易后难,先外后内
在拆机之前,请务必遵循以下原则,避免不必要的操作和损坏。

(图片来源网络,侵删)
- 先软后硬:排除软件问题。
- 先外后内:检查电源、按键、尾插等外部接口。
- 先供电后信号:开机电路的核心是供电,先确保各路供电正常。
- 先简单后复杂:从最容易测量的点开始,逐步深入。
第一步:初步诊断与软件排除 (不拆机)
在拆开手机之前,先进行以下操作,可以解决约10-20%的“假故障”。
-
强制重启:
- 同时按住 【音量+】键 和 【电源键】,持续约10-15秒,直到看到苹果Logo出现,这可以清除临时的系统错误,解决软件卡死导致的无法开机。
-
检查充电与连接:
- 换一个原装充电头和数据线,排除充电配件损坏的问题。
- 换一个充电接口(尾插),排除尾插内部充电IC或焊点虚焊导致的无法充电和开机。
- 尝试连接电脑,看电脑是否能识别到手机(在恢复模式下),如果电脑能识别,说明基带和部分供电是通的,问题很可能出在电源IC或主CPU上。
-
进入恢复模式/DFU模式:
(图片来源网络,侵删)- 恢复模式:屏幕会显示一个数据线和电脑iPod图标,这表示手机的引导系统损坏,但底层硬件是好的,此时可以通过iTunes或爱思助手进行刷机修复。
- DFU模式:屏幕是全黑的,这是最深度的恢复模式,可以重写整个系统固件,解决绝大多数软件问题。
- 目的:如果能进入DFU模式,说明开机电路的基础通路是通的,问题大概率是软件层面,如果连DFU模式都进不去,那基本可以确定是硬件故障。
第二步:拆机前的基础电压测量 (需要拆机)
如果软件方法无效,就需要拆机进行硬件检测了,这是最关键的一步。
准备工作:
- 一套合格的螺丝刀、撬棒、吸盘、镊子。
- 一台可调直流稳压电源,这是专业维修的必备工具,可以防止手机因短路而烧毁,并能提供稳定的电流观察。
- 一台万用表。
- iPhone 6 拆机工具和屏幕。
维修思路:开机电路的本质是“唤醒”
手机开机就像启动一台电脑,需要电源(PMIC)准备好,然后按下开机键(Power Key)发送一个“开机请求”信号,这个信号会触发一系列复杂的“握手”和“上电”过程,最终唤醒CPU,系统开始运行。

(图片来源网络,侵删)
核心检测点:
检查电池电压
- 测量点:电池排线的第1脚(负极)和第3脚(正极)。
- 标准电压:标称电压为 8V,用稳压电源激活后,空载电压应在 7V - 4.2V 之间,如果电压过低或为0,说明电池亏电或损坏,先用稳压电源给电池充电几分钟再测。
- 意义:电池是整个手机的能量来源,如果电池没电,后续一切免谈。
检查主电源IC (PMIC) 的供电
这是开机电路的“心脏”,负责将电池电压转换为手机各部分所需的各种电压。
- 关键供电引脚:
- PP_BATT_MAIN:电池主供电,来自电池正极,测量电源IC的相应引脚,应有电池电压(约4.2V)。
- PP_VCC_MAIN:主供电,来自尾排线的PP_VCC_MAIN,通常也是4.2V左右,这个电压在插上充电器时会有。
- 测量方法:找到主电源IC(通常是一个较大的BGA芯片,型号常为 Dialog 或 TPS),用万用表表笔测量其各路供电引脚的对地阻值和电压。
- 意义:如果主供电没有进来,电源IC就无法工作,自然无法产生后续的各路电压。
检查开机信号线路
这是“按下开机键”的信号传输路径。
- 信号路径:开机按键 -> 尾排线 -> 主板上对应的开机信号点 -> 主电源IC -> 主CPU。
- 测量点:
- 尾排线侧:用万用表二极管档,对地打值,按下开机键时,数值会发生变化(例如从无穷大变为一个较小的值),说明按键本身是好的。
- 主板侧:找到尾排座上对应的开机信号点(通常标记为
PWR_KEY或ON_OFF),同样对地打值,按下开机键应有变化,如果尾排线侧有变化而主板侧无变化,说明是尾排线或尾排座问题。 - 电源IC侧:找到电源IC上接收开机信号的引脚(通常标记为
PWR_ON或ON_OFF),在按下开机键的瞬间,这个引脚的电压会从低电平(0V)跳变为高电平(例如3.3V或1.8V),如果这里没有跳变,说明信号没有到达电源IC。
- 意义:这条线路是触发开机的“开关线”,如果断路,电源IC收不到指令,就不会启动。
第三步:使用稳压电源进行精准诊断 (高级方法)
这是判断短路和虚焊最有效的方法。
-
准备工作:
- 将电池从主板上断开。
- 将稳压电源的正负表笔接到电池接口的正负极上。
- 将稳压电源的电压调整到 8V - 4.2V 之间,电流限制在 1A 左右(防止短路时大电流烧毁元件)。
-
上电测试:
- 短暂接触电源开关,给主板通电。
- 观察稳压电源的电流表:
- 电流为0:说明主板的供电回路没有形成,可能是主供电线路有断路,或者电源IC完全未工作。
- 电流在几十毫安(如 0.05A - 0.2A):这是正常的待机电流,说明主板基本正常,只是开机信号有问题,此时可以尝试短接开机信号点(用镊子短接
PWR_KEY对地)来触发开机。 - 电流很大(如超过 0.5A 甚至 1A):说明主板存在短路!必须立即断电!
- 排查短路:使用万用表二极管档,对地打值,阻值特别小(几十欧姆以下)的线路或芯片就是嫌疑对象,常见短路点有:电源IC、CPU、音频IC、触摸IC、充电IC等,可以通过断开可疑芯片的供电来逐一排查,找到短路的源头。
第四步:常见故障点与维修方案
根据以上诊断,可以定位到具体的故障点:
| 故障现象 | 可能原因 | 维修方案 |
|---|---|---|
| 按开机键无反应,电流为0 | 电池电压异常或未连接。 主电源IC (PMIC) 供电缺失或损坏。 电源IC本身虚焊或损坏。 |
检查电池电压,确保连接可靠。 检查 PP_BATT_MAIN、PP_VCC_MAIN 等主供电线路是否通。重植或更换主电源IC,这是最常见的故障原因之一。 |
| 按开机键无反应,电流在几十毫安 | 开机信号线路断路(尾排线、尾排座、主板走线)。 电源IC到CPU之间的通讯线路(I2C总线)异常。 CPU或CPU供电虚焊/损坏。 |
检查 PWR_KEY 信号通路是否通畅。检查电源IC到CPU的 I2C 通讯线(SCL、SDA)是否通,上拉电阻是否正常。尝试重植CPU或为其补焊。 |
| 按开机键电流冲高到1A以上 | 电源IC损坏。 CPU损坏或严重虚焊。 其他芯片(如音频、触摸IC)对地短路。 |
断开电源IC供电,看电流是否恢复正常。 若恢复正常,则更换电源IC。 若电流依然很大,则断开CPU和其他芯片供电,逐步排查短路源。 更换或重植故障芯片。 |
| 能开机,但反复重启(重启循环) | 电池老化,供电不稳定。 电源IC性能不良。 CPU或内存虚焊。 系统文件损坏(软件)。 |
更换电池。 重植或更换电源IC。 重植CPU和内存。 尝试进入DFU模式刷机。 |
| 进水导致无法开机 | 腐蚀导致线路断路或短路。 腐蚀导致芯片损坏。 |
彻底清洗主板,使用洗板水和超声波清洗机。 重点检查尾排座、电源IC、CPU等易腐蚀部位,补飞线或更换腐蚀元件。 |
总结与安全提示
- 静电防护:维修全程佩戴防静电手环,防止静电击穿精密芯片。
- 记录与标记:拆下的螺丝和部件要分开放置,做好标记,避免装错。
- 虚焊是通病:iPhone 6 时代的主板设计,CPU、电源IC等大芯片虚焊问题非常普遍,重植(BGA重焊)是解决此类问题的有效手段,但需要专业的设备(BGA返修台)和熟练的技术。
- 工具很重要:一台好的稳压电源能让你事半功倍,避免造成二次损坏。
- 量力而行:如果对某个步骤没有把握,最好寻求专业维修人员的帮助,强行操作可能导致主板彻底报废。
遵循以上思路,你就能像医生一样,一步步为你的iPhone 6“诊断病情”,最终找到“病根”并“对症下药”,祝你维修顺利!
